Directe link
  • Conrad
  • Mijn account

    Inloggen / Registreren

  • Winkelwagen

  • Aanbiedingen › Aanbiedingen ›
  • Conrad Wereld
    Conrad - Your Sourcing Platform
    Aanbiedingen
    Nieuws en inspiratie
    Nieuwe producten
    Verkoper worden

    Eigen merken

    Toolcraft
    Voltcraft
    Tru components
    Renkforce
    Speaka professional
    Sygonix
  • Service

    Voor u uitgekozen services

    Status bestelling
    eProcurement
    Nieuwsbrief
    Garantie
    Cadeaukaart
    Onderwijsvoordeel
    Klantenservice

  • Inkoop

    Alles voor uw inkoop

    eProcurement
    Offertetool
    Orders op afroep
    Direct bestellen
    Product op aanvraag
    Business Plus
  • Onze producten
  • Mijn account
  • Verlanglijst
  • Uitloggen
Conrad
Start
Elektromechanica Relais Industriële relais

WAGO 859-302 Relaisklem Nominale spanning: 5 V/DC Schakelstroom (max.): 5 A 1x wisselcontact 1 stuk(s)

EAN:
Fabrikantnummer:
Artikelnummer:
'WAGO 859-302 relaismodule, ingang: DC 5V, uitgang: AC 250V, 5A. Grijze behuizing met meerdere aansluitklemmen en gedrukt elektrisch schema.'
'WAGO 859-302 relaismodule, ingang: DC 5V, uitgang: AC 250V, 5A. Grijze behuizing met meerdere aansluitklemmen en gedrukt elektrisch schema.'
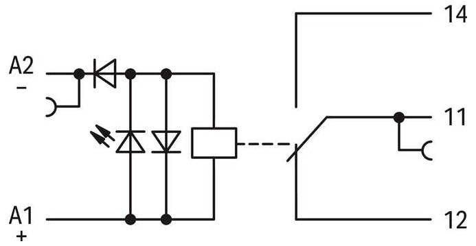
Diagram van een elektronisch relaisschakeling met aansluitingen op A1 (+), A2 (-), en uitgang op 11, 12 en 14. Inclusief een diode en LED-indicator.
Diagram met de afmetingen van een elektronisch apparaat, met een breedte van 91 mm (3,58 inch) en een hoogte van 56 mm (2,2 inch).
WAGO 859-302 Relaisklem Nominale spanning: 5 V/DC Schakelstroom (max.): 5 A 1x wisselcontact 1 stuk(s)-3
Een onderdeel met een groene printplaat en witte relais in een grijze behuizing; het is een elektrisch-technisch apparaat.
1/5
Soortnaam
Relaisklem
Contactsoort
1x wisselcontact
Nominale spanning
5 V/DC
Schakelspanning (max.)
250 V/AC
Schakelstroom (max.)
5 A
Datasheet (PDF)
WAGO
 

12 Stuk(s)
Verkoop en verzending:
Conrad Electronic Algemene voorwaarden

Aantal

Totaal
€
Juridisch probleem melden
  • +3500 merken

  • +1.900.000 producten

  • +85.000 zakelijke klanten

  • Gratis inkoopoplossingen

  • Scherpe offertes op maat

  • Klantenservice

  • Bestellen

  • Betalen

  • Garantie & retour

  • Alle onderwerpen

  • * Voorwaarden gratis levering

  • Over Conrad

  • Conrad Your Sourcing Platform

  • Nieuws & Inspiratie

  • Milieubewust ondernemen

  • ISO-certificering

  • Vulnerability Disclosure Program

  • REACH documenten

  • Informatie over toegankelijkheid

  • Conrad Diensten

  • Offerte aanvragen

  • e-Procurement

  • Business Plus

  • Gekalibreerd assortiment

  • Snel vinden

  • Merken A-Z

  • Categorieën A-Z

  • Actuele aanbiedingen 🛒

  • Download Center

  • Vacatures

Nieuwsbrief

Meld u aan voor de nieuwsbrief en ontvang 10% korting* op uw eerstvolgende bestelling, zonder minimaal bestelbedrag.

Meld u aan voor de nieuwsbrief en ontvang 10% korting* op uw eerstvolgende bestelling, zonder minimaal bestelbedrag.

Voer een geldig e-mail adres in

Nieuwsbrief

Meld u aan voor de nieuwsbrief en ontvang 10% korting* op uw eerstvolgende bestelling, zonder minimaal bestelbedrag.

Meld u aan voor de nieuwsbrief en ontvang 10% korting* op uw eerstvolgende bestelling, zonder minimaal bestelbedrag.

Voer een geldig e-mail adres in

Nieuwsbrief

Meld u aan voor de nieuwsbrief en ontvang 10% korting* op uw eerstvolgende bestelling, zonder minimaal bestelbedrag.

Meld u aan voor de nieuwsbrief en ontvang 10% korting* op uw eerstvolgende bestelling, zonder minimaal bestelbedrag.

Voer een geldig e-mail adres in

Beveiligingsweken
* 15% korting op Reolink en geselecteerde Sygonix artikelen. 10% korting op Abus artikelen. Geldig t/m 26-4-2026 en alleen voor artikelen mét voorraad. Verder gelden de voorwaarden actiecodes.

Betaalmethoden
  • iDeal
  • Creditcard
  • Automatische incasso
  • Op rekening
Alle betaalmethoden
Social Media

Weergave van alle prijzen excl. btw en excl. verzendkosten.

Weergave van alle prijzen incl. btw en excl. verzendkosten.

  • Gegevensbescherming

  • Veilige betaalmiddelen

  • SSL-versleuteling

  • Geverifieerde Visa & Mastercard veilige code

  • Algemene voorwaarden

  • Impressum

  • Privacy policy

  • Herroepingsrecht

Productvergelijking
Verlanglijst