Directe link
  • Conrad
  • Mijn account

    Inloggen / Registreren

  • Winkelwagen

  • Aanbiedingen › Aanbiedingen ›
  • Conrad Wereld
    Conrad - Your Sourcing Platform
    Aanbiedingen
    Nieuws en inspiratie
    Nieuwe producten
    Verkoper worden

    Eigen merken

    Toolcraft
    Voltcraft
    Tru components
    Renkforce
    Speaka professional
    Sygonix
  • Service

    Voor u uitgekozen services

    Status bestelling
    eProcurement
    Nieuwsbrief
    Garantie
    Cadeaukaart
    Onderwijsvoordeel
    Klantenservice

  • Inkoop

    Alles voor uw inkoop

    eProcurement
    Offertetool
    Orders op afroep
    Direct bestellen
    Product op aanvraag
    Business Plus
  • Onze producten
  • Mijn account
  • Verlanglijst
  • Uitloggen
Conrad
Start
Passieve componenten Condensatoren Keramische condensatoren

TANCAP CT4-0805Y334M500A1T Keramische condensator THT 330 nF 50 V 20 % (b x h) 4.2 mm x 25 mm 1 stuk(s)

EAN:
Fabrikantnummer:
Artikelnummer:
Rij van gele elektronische componenten met twee aansluitingen, bevestigd aan een bruine papierstrook. Gebruikt in elektrische circuits.
Rij van gele elektronische componenten met twee aansluitingen, bevestigd aan een bruine papierstrook. Gebruikt in elektrische circuits.
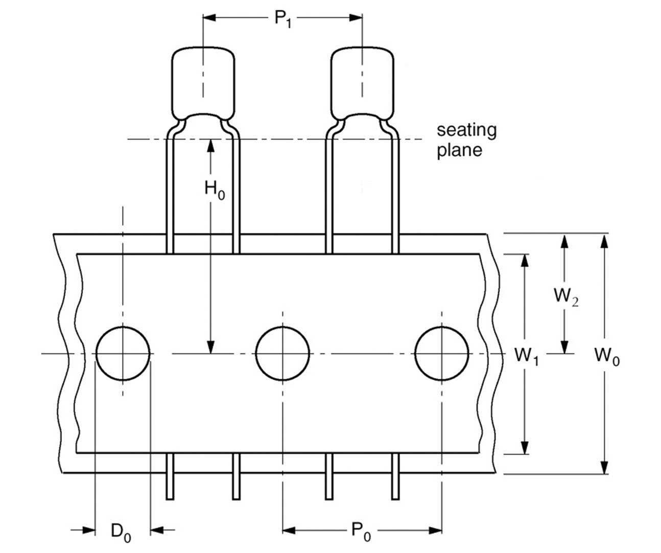
Technische tekening van een elektrisch onderdeel met meerdere aansluitpennen. Afmetingen P1, H0, W0, W1, W2 zijn gemarkeerd.
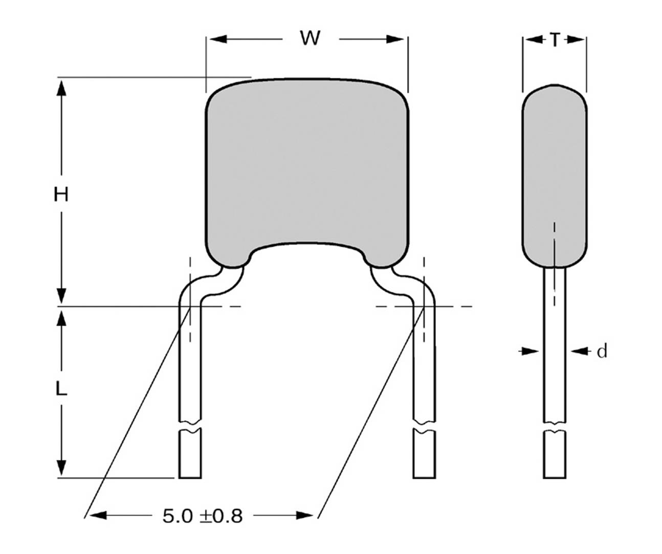
Technische tekening van een elektronisch onderdeel met afmetingen. De breedte (B), hoogte (H), lengte (L), diepte (D) en diameter (d) zijn gemarkeerd.
1/3
Nominale spanning
50 V
Inhoud
1 stuk(s)
Bouwwijze
THT
Elektrische capaciteit
330 nF
Soortnaam
Keramische condensator
Datasheet (PDF)
English
TANCAP
 

1347 Stuk(s)
Verkoop en verzending:
Conrad Electronic Algemene voorwaarden

Aantal (Stuk(s))
Besparing
Verpakkingsprijs (excl. btw)
20
-
€ 0,14 €
60
14% = € 0,02
€ 0,12 €
100
21% = € 0,03
€ 0,11 €
Staffelprijzen zijn afhankelijk van de verkoper
Besparing € 0,00

Aantal

Min.: 20
Totaal (€ 0,14 / Stuk)
€
Juridisch probleem melden
  • +3500 merken

  • +1.900.000 producten

  • +85.000 zakelijke klanten

  • Gratis inkoopoplossingen

  • Scherpe offertes op maat

  • Klantenservice

  • Bestellen

  • Betalen

  • Garantie & retour

  • Alle onderwerpen

  • * Voorwaarden gratis levering

  • Over Conrad

  • Conrad Your Sourcing Platform

  • Nieuws & Inspiratie

  • Milieubewust ondernemen

  • ISO-certificering

  • Vulnerability Disclosure Program

  • REACH documenten

  • Informatie over toegankelijkheid

  • Conrad Diensten

  • Offerte aanvragen

  • e-Procurement

  • Business Plus

  • Gekalibreerd assortiment

  • Snel vinden

  • Merken A-Z

  • Categorieën A-Z

  • Actuele aanbiedingen 🛒

  • Download Center

  • Vacatures

Nieuwsbrief

Meld u aan voor de nieuwsbrief en ontvang 10% korting* op uw eerstvolgende bestelling, zonder minimaal bestelbedrag.

Meld u aan voor de nieuwsbrief en ontvang 10% korting* op uw eerstvolgende bestelling, zonder minimaal bestelbedrag.

Voer een geldig e-mail adres in

Nieuwsbrief

Meld u aan voor de nieuwsbrief en ontvang 10% korting* op uw eerstvolgende bestelling, zonder minimaal bestelbedrag.

Meld u aan voor de nieuwsbrief en ontvang 10% korting* op uw eerstvolgende bestelling, zonder minimaal bestelbedrag.

Voer een geldig e-mail adres in

Nieuwsbrief

Meld u aan voor de nieuwsbrief en ontvang 10% korting* op uw eerstvolgende bestelling, zonder minimaal bestelbedrag.

Meld u aan voor de nieuwsbrief en ontvang 10% korting* op uw eerstvolgende bestelling, zonder minimaal bestelbedrag.

Voer een geldig e-mail adres in

Installatietechniek-weken
* 15% korting op geselecteerde Sygonix artikelen. 10% korting op AS Schwabe en Brennenstuhl artikelen en geselecteerde Siemens artikelen. Geldig t/m 24-5-2026 en alleen voor artikelen mét voorraad. Verder gelden de voorwaarden actiecodes.

Wiha
* 10% korting op Wiha artikelen mét voorraad. Geldig t/m 31-5-2026. Verder gelden de voorwaarden actiecodes.

Betaalmethoden
  • iDeal
  • Creditcard
  • Automatische incasso
  • Op rekening
Alle betaalmethoden
Social Media

Weergave van alle prijzen excl. btw en excl. verzendkosten.

Weergave van alle prijzen incl. btw en excl. verzendkosten.

  • Gegevensbescherming

  • Veilige betaalmiddelen

  • SSL-versleuteling

  • Geverifieerde Visa & Mastercard veilige code

  • Algemene voorwaarden

  • Impressum

  • Privacy policy

  • Herroepingsrecht

Productvergelijking
Verlanglijst