Directe link
  • Conrad
  • Mijn account

    Inloggen / Registreren

  • Winkelwagen

  • Aanbiedingen › Aanbiedingen ›
  • Conrad Wereld
    Conrad - Your Sourcing Platform
    Aanbiedingen
    Nieuws en inspiratie
    Nieuwe producten
    Verkoper worden

    Eigen merken

    Toolcraft
    Voltcraft
    Tru components
    Renkforce
    Speaka professional
    Sygonix
  • Service

    Voor u uitgekozen services

    Status bestelling
    eProcurement
    Nieuwsbrief
    Garantie
    Cadeaukaart
    Onderwijsvoordeel
    Klantenservice

  • Inkoop

    Alles voor uw inkoop

    eProcurement
    Offertetool
    Orders op afroep
    Direct bestellen
    Product op aanvraag
    Business Plus
  • Onze producten
  • Mijn account
  • Verlanglijst
  • Uitloggen
Conrad
Start
Automatisering Automatisering Schakeltechniek Vermogensschakelaars

Siemens 3VA6225-7KP31-2AA0 Vermogensschakelaar 1 stuk(s) Instelbereik (stroomsterkte): 100 - 250 A Schakelspanning (max.

EAN:
Fabrikantnummer:
Artikelnummer:
Een grijze vermogensschakelaar met drie aansluitingen, waarop 'Siemens' staat, wordt van voren getoond. Hij wordt gebruikt voor elektrische beschermingsfuncties.
Een grijze vermogensschakelaar met drie aansluitingen, waarop 'Siemens' staat, wordt van voren getoond. Hij wordt gebruikt voor elektrische beschermingsfuncties.
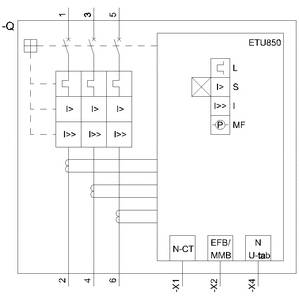
Een technisch diagram toont het schakelschema van een ETU850-apparaat met aanduidingen voor stroomsterkte en functies zoals 'L', 'S', 'I', 'P' en 'MF'.
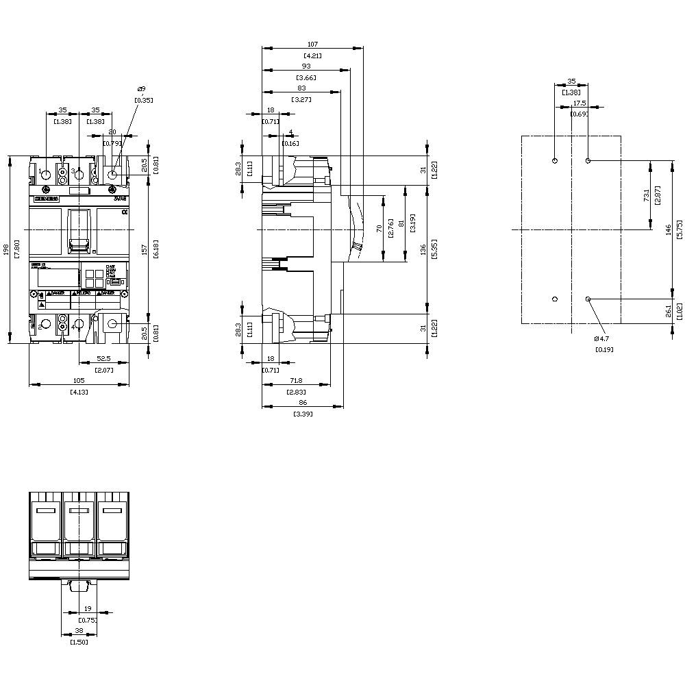
Technische tekening van een elektrische schakelaar met verschillende aanzichten, afmetingen, boorgaten en montage-instructies voor nauwkeurige installatie.
1/3
Afbeelding vergelijkbaar
Soortnaam
Vermogensschakelaar
Instelbereik stroomsterkte (max.)
250 A
Type
3VA6225-7KP31-2AA0
Stuurspanningsbereik
Instelbereik stroomsterkte (min.)
100 A
Datasheet (PDF)
Deutsch (Deutschland)
Siemens
 

Verkoop en verzending:
Conrad Electronic Algemene voorwaarden

Aantal

Totaal
€
Juridisch probleem melden
  • +3500 merken

  • +1.900.000 producten

  • +85.000 zakelijke klanten

  • Gratis inkoopoplossingen

  • Scherpe offertes op maat

  • Klantenservice

  • Bestellen

  • Betalen

  • Garantie & retour

  • Alle onderwerpen

  • * Voorwaarden gratis levering

  • Over Conrad

  • Conrad Your Sourcing Platform

  • Nieuws & Inspiratie

  • Milieubewust ondernemen

  • ISO-certificering

  • Vulnerability Disclosure Program

  • REACH documenten

  • Informatie over toegankelijkheid

  • Conrad Diensten

  • Offerte aanvragen

  • e-Procurement

  • Business Plus

  • Gekalibreerd assortiment

  • Snel vinden

  • Merken A-Z

  • Categorieën A-Z

  • Actuele aanbiedingen 🛒

  • Download Center

  • Vacatures

Nieuwsbrief

Meld u aan voor de nieuwsbrief en ontvang 10% korting* op uw eerstvolgende bestelling, zonder minimaal bestelbedrag.

Meld u aan voor de nieuwsbrief en ontvang 10% korting* op uw eerstvolgende bestelling, zonder minimaal bestelbedrag.

Voer een geldig e-mail adres in

Nieuwsbrief

Meld u aan voor de nieuwsbrief en ontvang 10% korting* op uw eerstvolgende bestelling, zonder minimaal bestelbedrag.

Meld u aan voor de nieuwsbrief en ontvang 10% korting* op uw eerstvolgende bestelling, zonder minimaal bestelbedrag.

Voer een geldig e-mail adres in

Nieuwsbrief

Meld u aan voor de nieuwsbrief en ontvang 10% korting* op uw eerstvolgende bestelling, zonder minimaal bestelbedrag.

Meld u aan voor de nieuwsbrief en ontvang 10% korting* op uw eerstvolgende bestelling, zonder minimaal bestelbedrag.

Voer een geldig e-mail adres in

Beveiligingsweken
* 15% korting op Reolink en geselecteerde Sygonix artikelen. 10% korting op Abus artikelen. Geldig t/m 26-4-2026 en alleen voor artikelen mét voorraad. Verder gelden de voorwaarden actiecodes.

Betaalmethoden
  • iDeal
  • Creditcard
  • Automatische incasso
  • Op rekening
Alle betaalmethoden
Social Media

Weergave van alle prijzen excl. btw en excl. verzendkosten.

Weergave van alle prijzen incl. btw en excl. verzendkosten.

  • Gegevensbescherming

  • Veilige betaalmiddelen

  • SSL-versleuteling

  • Geverifieerde Visa & Mastercard veilige code

  • Algemene voorwaarden

  • Impressum

  • Privacy policy

  • Herroepingsrecht

Productvergelijking
Verlanglijst