Directe link
  • Conrad
  • Mijn account

    Inloggen / Registreren

  • Winkelwagen

  • Aanbiedingen › Aanbiedingen ›
  • Conrad Wereld
    Conrad - Your Sourcing Platform
    Aanbiedingen
    Nieuws en inspiratie
    Nieuwe producten
    Verkoper worden

    Eigen merken

    Toolcraft
    Voltcraft
    Tru components
    Renkforce
    Speaka professional
    Sygonix
  • Service

    Voor u uitgekozen services

    Status bestelling
    eProcurement
    Nieuwsbrief
    Garantie
    Cadeaukaart
    Onderwijsvoordeel
    Klantenservice

  • Inkoop

    Alles voor uw inkoop

    eProcurement
    Offertetool
    Orders op afroep
    Direct bestellen
    Product op aanvraag
    Business Plus
  • Onze producten
  • Mijn account
  • Verlanglijst
  • Uitloggen
Conrad
Start
Computer & Kantoor Computer accessoires Noodstroomvoorzieningen (UPS) Industriële UPS-systemen

Phoenix Contact QUINT-ORING/24DC/2X40/1X80 Redundantiemodule

EAN:
Fabrikantnummer:
Artikelnummer:
Stroomvoedingseenheid met groene aansluiting, zilveren behuizing en technische specificaties aan de zijkant. Geschikt voor industriële apparatuur.
Stroomvoedingseenheid met groene aansluiting, zilveren behuizing en technische specificaties aan de zijkant. Geschikt voor industriële apparatuur.
Drie industriële voedingen naast elkaar, met een grijs behuizing en groene aansluitingen, op een witte achtergrond.
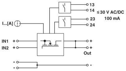
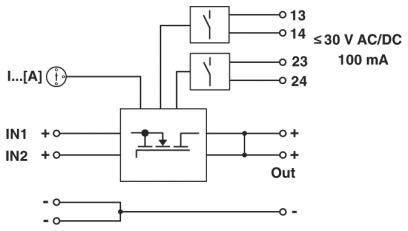
Schakelschema van een relais met twee ingangen (IN1, IN2) en één uitgang (Out). Maximale spanning: ≤30 V AC/DC, 100 mA stroomsterkte.
Schakelschema: Twee ingangen (IN1, IN2) verbinden zich met een relais dat max. 30 V AC/DC bij 100 mA bestuurt.
1/4
Afbeelding vergelijkbaar
Phoenix Contact
Datasheet (PDF)
European union
 

3 Stuk(s)
Verkoop en verzending:
cetra IT Niederlande Algemene voorwaarden

Aantal

Totaal
€
Slechts 3 stuks beschikbaar
U heeft al het beste aanbod voor uw hoeveelheid.
Ons aanbod voor u (Prijzen voor 1 Stuk(s))
Conrad Electronic
Algemene voorwaarden & Herroepingsrecht
 

Gratis verzending*
Ons aanbod

€

excl. btw
Juridisch probleem melden
  • +3500 merken

  • +1.900.000 producten

  • +85.000 zakelijke klanten

  • Gratis inkoopoplossingen

  • Scherpe offertes op maat

  • Klantenservice

  • Bestellen

  • Betalen

  • Garantie & retour

  • Alle onderwerpen

  • * Voorwaarden gratis levering

  • Over Conrad

  • Conrad Your Sourcing Platform

  • Nieuws & Inspiratie

  • Milieubewust ondernemen

  • ISO-certificering

  • Vulnerability Disclosure Program

  • REACH documenten

  • Informatie over toegankelijkheid

  • Conrad Diensten

  • Offerte aanvragen

  • e-Procurement

  • Business Plus

  • Gekalibreerd assortiment

  • Snel vinden

  • Merken A-Z

  • Categorieën A-Z

  • Actuele aanbiedingen 🛒

  • Download Center

  • Vacatures

Nieuwsbrief

Meld u aan voor de nieuwsbrief en ontvang 10% korting* op uw eerstvolgende bestelling, zonder minimaal bestelbedrag.

Meld u aan voor de nieuwsbrief en ontvang 10% korting* op uw eerstvolgende bestelling, zonder minimaal bestelbedrag.

Voer een geldig e-mail adres in

Nieuwsbrief

Meld u aan voor de nieuwsbrief en ontvang 10% korting* op uw eerstvolgende bestelling, zonder minimaal bestelbedrag.

Meld u aan voor de nieuwsbrief en ontvang 10% korting* op uw eerstvolgende bestelling, zonder minimaal bestelbedrag.

Voer een geldig e-mail adres in

Nieuwsbrief

Meld u aan voor de nieuwsbrief en ontvang 10% korting* op uw eerstvolgende bestelling, zonder minimaal bestelbedrag.

Meld u aan voor de nieuwsbrief en ontvang 10% korting* op uw eerstvolgende bestelling, zonder minimaal bestelbedrag.

Voer een geldig e-mail adres in

Beveiligingsweken
* 15% korting op Reolink en geselecteerde Sygonix artikelen. 10% korting op Abus artikelen. Geldig t/m 26-4-2026 en alleen voor artikelen mét voorraad. Verder gelden de voorwaarden actiecodes.

Betaalmethoden
  • iDeal
  • Creditcard
  • Automatische incasso
  • Op rekening
Alle betaalmethoden
Social Media

Weergave van alle prijzen excl. btw en excl. verzendkosten.

Weergave van alle prijzen incl. btw en excl. verzendkosten.

  • Gegevensbescherming

  • Veilige betaalmiddelen

  • SSL-versleuteling

  • Geverifieerde Visa & Mastercard veilige code

  • Algemene voorwaarden

  • Impressum

  • Privacy policy

  • Herroepingsrecht

Productvergelijking
Verlanglijst