Directe link
  • Conrad
  • Mijn account

    Inloggen / Registreren

  • Winkelwagen

  • Aanbiedingen › Aanbiedingen ›
  • Conrad Wereld
    Conrad - Your Sourcing Platform
    Aanbiedingen
    Nieuws en inspiratie
    Nieuwe producten
    Verkoper worden

    Eigen merken

    Toolcraft
    Voltcraft
    Tru components
    Renkforce
    Speaka professional
    Sygonix
  • Service

    Voor u uitgekozen services

    Status bestelling
    eProcurement
    Nieuwsbrief
    Garantie
    Cadeaukaart
    Onderwijsvoordeel
    Klantenservice

  • Inkoop

    Alles voor uw inkoop

    eProcurement
    Offertetool
    Orders op afroep
    Direct bestellen
    Product op aanvraag
    Business Plus
  • Onze producten
  • Mijn account
  • Verlanglijst
  • Uitloggen
Conrad
Start
Automatisering Automatisering Meettechniek, regeltechniek Temperatuur-meetomvormers

Phoenix Contact MACX MCR-TS-I-OLP-SP Temperatuurmeetomvormer 2908664

EAN:
Fabrikantnummer:
Artikelnummer:
Elektronisch apparaat op DIN-rail, smal en rechthoekig, waarschijnlijk gebruikt voor signaalverwerking of stroomregeling.
Elektronisch apparaat op DIN-rail, smal en rechthoekig, waarschijnlijk gebruikt voor signaalverwerking of stroomregeling.
Elektronische module in een slanke behuizing, vermoedelijk voor industriële toepassingen, staand weergegeven; witte kleur met opschrift.
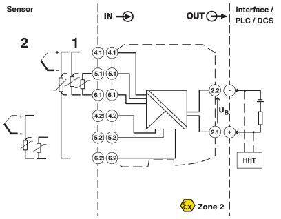
Elektrisch bedradingsschema van een sensorsysteem dat signalen overdraagt naar een interface/PLC. Bevat symbolen voor zoneclassificatie.
Schakelschema van een elektronisch apparaat met ingangs- en uitgangen. Pijlen geven de stroomstroom aan. Gelabelde gebieden: 'IN' en 'POWER UIT'.
1/4
Type
MACX MCR-TS-I-OLP-SP
Voedingsspanning
12 V - 42 V
Uitgangssignaal
4 mA - 20 mA, 20 mA - 4 mA
Temperatuurbereik
-40 °C - +100 °C
Beschrijving
Temperatuurmeetomvormer
Datasheet (PDF)
European union
Phoenix Contact
 

Verkoop en verzending:
Conrad Electronic Algemene voorwaarden

Aantal

Totaal
€ 557,85
-15 %
€
Juridisch probleem melden
  • +3500 merken

  • +1.900.000 producten

  • +85.000 zakelijke klanten

  • Gratis inkoopoplossingen

  • Scherpe offertes op maat

  • Klantenservice

  • Bestellen

  • Betalen

  • Garantie & retour

  • Alle onderwerpen

  • * Voorwaarden gratis levering

  • Over Conrad

  • Conrad Your Sourcing Platform

  • Nieuws & Inspiratie

  • Milieubewust ondernemen

  • ISO-certificering

  • Vulnerability Disclosure Program

  • REACH documenten

  • Informatie over toegankelijkheid

  • Conrad Diensten

  • Offerte aanvragen

  • e-Procurement

  • Business Plus

  • Gekalibreerd assortiment

  • Snel vinden

  • Merken A-Z

  • Categorieën A-Z

  • Actuele aanbiedingen 🛒

  • Download Center

  • Vacatures

Nieuwsbrief

Meld u aan voor de nieuwsbrief en ontvang 10% korting* op uw eerstvolgende bestelling, zonder minimaal bestelbedrag.

Meld u aan voor de nieuwsbrief en ontvang 10% korting* op uw eerstvolgende bestelling, zonder minimaal bestelbedrag.

Voer een geldig e-mail adres in

Nieuwsbrief

Meld u aan voor de nieuwsbrief en ontvang 10% korting* op uw eerstvolgende bestelling, zonder minimaal bestelbedrag.

Meld u aan voor de nieuwsbrief en ontvang 10% korting* op uw eerstvolgende bestelling, zonder minimaal bestelbedrag.

Voer een geldig e-mail adres in

Nieuwsbrief

Meld u aan voor de nieuwsbrief en ontvang 10% korting* op uw eerstvolgende bestelling, zonder minimaal bestelbedrag.

Meld u aan voor de nieuwsbrief en ontvang 10% korting* op uw eerstvolgende bestelling, zonder minimaal bestelbedrag.

Voer een geldig e-mail adres in

Beveiligingsweken
* 15% korting op Reolink en geselecteerde Sygonix artikelen. 10% korting op Abus artikelen. Geldig t/m 26-4-2026 en alleen voor artikelen mét voorraad. Verder gelden de voorwaarden actiecodes.

Betaalmethoden
  • iDeal
  • Creditcard
  • Automatische incasso
  • Op rekening
Alle betaalmethoden
Social Media

Weergave van alle prijzen excl. btw en excl. verzendkosten.

Weergave van alle prijzen incl. btw en excl. verzendkosten.

  • Gegevensbescherming

  • Veilige betaalmiddelen

  • SSL-versleuteling

  • Geverifieerde Visa & Mastercard veilige code

  • Algemene voorwaarden

  • Impressum

  • Privacy policy

  • Herroepingsrecht

Productvergelijking
Verlanglijst