Directe link
  • Conrad
  • Mijn account

    Inloggen / Registreren

  • Winkelwagen

  • Aanbiedingen › Aanbiedingen ›
  • Conrad Wereld
    Conrad - Your Sourcing Platform
    Aanbiedingen
    Nieuws en inspiratie
    Nieuwe producten
    Verkoper worden

    Eigen merken

    Toolcraft
    Voltcraft
    Tru components
    Renkforce
    Speaka professional
    Sygonix
  • Service

    Voor u uitgekozen services

    Status bestelling
    eProcurement
    Nieuwsbrief
    Garantie
    Cadeaukaart
    Onderwijsvoordeel
    Klantenservice

  • Inkoop

    Alles voor uw inkoop

    eProcurement
    Offertetool
    Orders op afroep
    Direct bestellen
    Product op aanvraag
    Business Plus
  • Onze producten
  • Mijn account
  • Verlanglijst
  • Uitloggen
Conrad
Start
Automatisering Automatisering Controle op afstand Phoenix Contact Wireless datacommunication

Phoenix Contact 1038567 TC MOBILE I/O X200-4G SMS-relais

EAN:
Fabrikantnummer:
Artikelnummer:
Industrieel netwerkapparaat met DIN-railmontage. Voorzijde toont aansluitingen en digitale displays, geschikt voor industriële toepassingen.
Industrieel netwerkapparaat met DIN-railmontage. Voorzijde toont aansluitingen en digitale displays, geschikt voor industriële toepassingen.
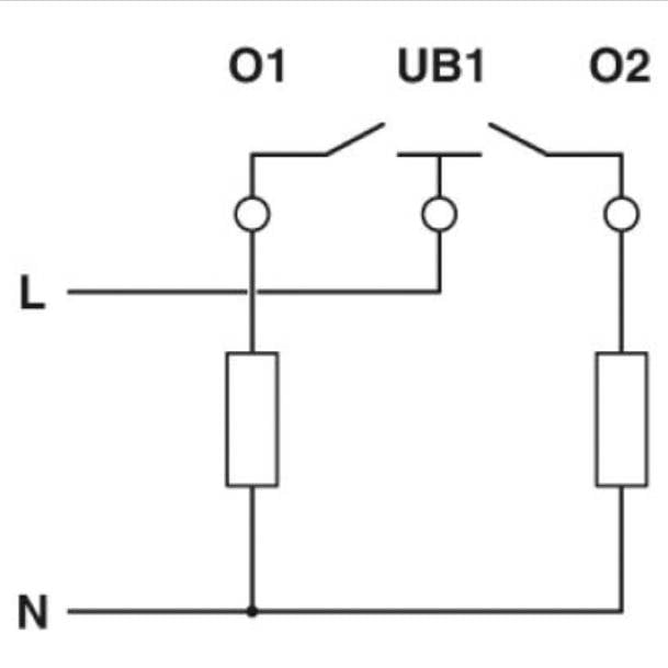
'Schakelschema toont twee schakelaars O1 en O2 in serie met een spanningsbron UB1, verbonden met een stroomkring L en N.'
'Diagram van een stuurapparaat met genummerde aansluitingen van 1 tot 17 en een draaimomentaanwijzing van 0,5-0,6 Nm (5-7 lb In).'
'Diagram toont de instelling van een mechaniek met schroevendraaier. Onderdeel A beweegt verticaal, onderdeel B draait horizontaal.'
Tekening van een elektrische schakelaar met markeringen 'A' en 'B', toont aansluitingen en een oranje schakelaar bovenaan.
'Diagram toont spanning-stroom-curve. Spanning (U) in volt op de Y-as, stroom (I) in ampère op de X-as. Belangrijk: constant tot ca. 4,1 A, daarna afnemend. Waarden gemarkeerd bij 0,42, 0,75, 1,0, 3,3 A.'
Diagram toont een zijaanzicht van een gemonteerde lens, waarbij een pijl naar rechts wijst naar zijn positionering.
Een apparaat met ingebouwde aansluitingen, gemarkeerd met 'N' en 'L'. Pijlen A en B wijzen naar verschillende aansluitingen.
Diagram toont de curve van een fotovoltaïsche modulekenmerkende lijn: Spanning (U) stijgt tot 60V, Stroom (I) tot 6A.
1/9
Phoenix Contact
Leverbaarvr. 10 apr.

5 Stuk(s)

Aantal

Totaal
€ 442,15
excl. btw 
Gratis verzending*
Slechts 5 stuks beschikbaar
Juridisch probleem melden
  • +3500 merken

  • +1.900.000 producten

  • +85.000 zakelijke klanten

  • Gratis inkoopoplossingen

  • Scherpe offertes op maat

  • Klantenservice

  • Bestellen

  • Betalen

  • Garantie & retour

  • Alle onderwerpen

  • * Voorwaarden gratis levering

  • Over Conrad

  • Conrad Your Sourcing Platform

  • Nieuws & Inspiratie

  • Milieubewust ondernemen

  • ISO-certificering

  • Vulnerability Disclosure Program

  • REACH documenten

  • Informatie over toegankelijkheid

  • Conrad Diensten

  • Offerte aanvragen

  • e-Procurement

  • Business Plus

  • Gekalibreerd assortiment

  • Snel vinden

  • Merken A-Z

  • Categorieën A-Z

  • Actuele aanbiedingen 🛒

  • Download Center

  • Vacatures

Nieuwsbrief

Meld u aan voor de nieuwsbrief en ontvang 10% korting* op uw eerstvolgende bestelling, zonder minimaal bestelbedrag.

Meld u aan voor de nieuwsbrief en ontvang 10% korting* op uw eerstvolgende bestelling, zonder minimaal bestelbedrag.

Voer een geldig e-mail adres in

Nieuwsbrief

Meld u aan voor de nieuwsbrief en ontvang 10% korting* op uw eerstvolgende bestelling, zonder minimaal bestelbedrag.

Meld u aan voor de nieuwsbrief en ontvang 10% korting* op uw eerstvolgende bestelling, zonder minimaal bestelbedrag.

Voer een geldig e-mail adres in

Nieuwsbrief

Meld u aan voor de nieuwsbrief en ontvang 10% korting* op uw eerstvolgende bestelling, zonder minimaal bestelbedrag.

Meld u aan voor de nieuwsbrief en ontvang 10% korting* op uw eerstvolgende bestelling, zonder minimaal bestelbedrag.

Voer een geldig e-mail adres in

Geselecteerde kantoorartikelen
* Deze kortingsactie geldt t/m 5-4-2026 en alleen voor geselecteerde kantoorartikelen. Verder gelden de voorwaarden actiecodes.

Betaalmethoden
  • iDeal
  • Creditcard
  • Automatische incasso
  • Op rekening
Alle betaalmethoden
Social Media

Weergave van alle prijzen excl. btw en excl. verzendkosten.

Weergave van alle prijzen incl. btw en excl. verzendkosten.

  • Gegevensbescherming

  • Veilige betaalmiddelen

  • SSL-versleuteling

  • Geverifieerde Visa & Mastercard veilige code

  • Algemene voorwaarden

  • Impressum

  • Privacy policy

  • Herroepingsrecht

Productvergelijking
Verlanglijst