Directe link
  • Conrad
  • Mijn account

    Inloggen / Registreren

  • Winkelwagen

  • Aanbiedingen › Aanbiedingen ›
  • Conrad Wereld
    Conrad - Your Sourcing Platform
    Aanbiedingen
    Nieuws en inspiratie
    Nieuwe producten
    Verkoper worden

    Eigen merken

    Toolcraft
    Voltcraft
    Tru components
    Renkforce
    Speaka professional
    Sygonix
  • Service

    Voor u uitgekozen services

    Status bestelling
    eProcurement
    Nieuwsbrief
    Garantie
    Cadeaukaart
    Onderwijsvoordeel
    Klantenservice

  • Inkoop

    Alles voor uw inkoop

    eProcurement
    Offertetool
    Orders op afroep
    Direct bestellen
    Product op aanvraag
    Business Plus
  • Onze producten
  • Mijn account
  • Verlanglijst
  • Uitloggen
Conrad
Start
Gereedschap & Werkplaats Bevestigingsmateriaal & montagemateriaal Deuvels en pluggen

Fischer 545678 DUOBLADE S LD Gipsplaatplug 44 mm 20 stuk(s)

EAN:
Fabrikantnummer:
Artikelnummer:
Een rood en grijs wandstekker met chevronpatronen en de merknaam 'fischer' gegraveerd op de zijkant. Ontworpen voor veilige bevestiging in muren.
Een rood en grijs wandstekker met chevronpatronen en de merknaam 'fischer' gegraveerd op de zijkant. Ontworpen voor veilige bevestiging in muren.
Een moderne ruimte met een rode spiegel die een deur weerkaatst. Rechts staat een houten meubelstuk met een zonnebloem in een vaas.
Aan het plafond van een moderne kamer is een rookmelder bevestigd. Links zijn trapleuningen zichtbaar en beneden een omlijsting van een foto.
Een illustratie toont hoe een schroef in een pluggen in de muur wordt gedraaid. Een gehoorbeschermingssymbool waarschuwt voor lawaai.
'Illustratie van een schroef die in een muur met een pluggen wordt geschroefd. De plug zet uit door de schroefbeweging.'
Afbeelding van een pluggen die een houten constructie aan een muur bevestigt. Een rode pijl toont de insteekrichting.
'Illustratie van een schroefanker dat een metalen en houten plaat verbindt, door een betonnen muur gevoerd.'
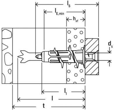
'Afbeelding van een plugsysteem dat een schroef door een gipsplaat in een stuk hout bevestigt. Het systeem toont installatietechniek.'
'Illustratie voor de juiste bevestiging: Een schroef wordt door een pluggen in de muur bevestigd, met een rode pijl voor de draairichting.'
'Illustratie van een plug die een houten lat aan een betonnen muur bevestigt, met een rode pijl die naar de lat wijst.'
Een spreidplug wordt in een muur geschroefd, waarbij het werkingsprincipe voor vaste bevestiging wordt getoond.
Afbeelding van een zware metalen muurplug in een muur, die een haak draagt. De plug wordt gedeeltelijk doorzichtig weergegeven.
Fischer 545678 DUOBLADE S LD Gipsplaatplug 44 mm 20 stuk(s)-12
Fischer 545678 DUOBLADE S LD Gipsplaatplug 44 mm 20 stuk(s)-13
Fischer 545678 DUOBLADE S LD Gipsplaatplug 44 mm 20 stuk(s)-14
Fischer 545678 DUOBLADE S LD Gipsplaatplug 44 mm 20 stuk(s)-15
Fischer 545678 DUOBLADE S LD Gipsplaatplug 44 mm 20 stuk(s)-16
1/17
Fischer
Leverbaarvr. 10 apr.

4 Set(s)

Aantal (Verpakkingsgrootte 20 Set(s))

Totaal
€ 9,91
excl. btw 
Slechts 4 stuks beschikbaar
Juridisch probleem melden
  • +3500 merken

  • +1.900.000 producten

  • +85.000 zakelijke klanten

  • Gratis inkoopoplossingen

  • Scherpe offertes op maat

  • Klantenservice

  • Bestellen

  • Betalen

  • Garantie & retour

  • Alle onderwerpen

  • * Voorwaarden gratis levering

  • Over Conrad

  • Conrad Your Sourcing Platform

  • Nieuws & Inspiratie

  • Milieubewust ondernemen

  • ISO-certificering

  • Vulnerability Disclosure Program

  • REACH documenten

  • Informatie over toegankelijkheid

  • Conrad Diensten

  • Offerte aanvragen

  • e-Procurement

  • Business Plus

  • Gekalibreerd assortiment

  • Snel vinden

  • Merken A-Z

  • Categorieën A-Z

  • Actuele aanbiedingen 🛒

  • Download Center

  • Vacatures

Nieuwsbrief

Meld u aan voor de nieuwsbrief en ontvang 10% korting* op uw eerstvolgende bestelling, zonder minimaal bestelbedrag.

Meld u aan voor de nieuwsbrief en ontvang 10% korting* op uw eerstvolgende bestelling, zonder minimaal bestelbedrag.

Voer een geldig e-mail adres in

Nieuwsbrief

Meld u aan voor de nieuwsbrief en ontvang 10% korting* op uw eerstvolgende bestelling, zonder minimaal bestelbedrag.

Meld u aan voor de nieuwsbrief en ontvang 10% korting* op uw eerstvolgende bestelling, zonder minimaal bestelbedrag.

Voer een geldig e-mail adres in

Nieuwsbrief

Meld u aan voor de nieuwsbrief en ontvang 10% korting* op uw eerstvolgende bestelling, zonder minimaal bestelbedrag.

Meld u aan voor de nieuwsbrief en ontvang 10% korting* op uw eerstvolgende bestelling, zonder minimaal bestelbedrag.

Voer een geldig e-mail adres in

Betaalmethoden
  • iDeal
  • Creditcard
  • Automatische incasso
  • Op rekening
Alle betaalmethoden
Social Media

Weergave van alle prijzen excl. btw en excl. verzendkosten.

Weergave van alle prijzen incl. btw en excl. verzendkosten.

  • Gegevensbescherming

  • Veilige betaalmiddelen

  • SSL-versleuteling

  • Geverifieerde Visa & Mastercard veilige code

  • Algemene voorwaarden

  • Impressum

  • Privacy policy

  • Herroepingsrecht

Productvergelijking
Verlanglijst