Directe link
  • Conrad
  • Mijn account

    Inloggen / Registreren

  • Winkelwagen

  • Aanbiedingen › Aanbiedingen ›
  • Conrad Wereld
    Conrad - Your Sourcing Platform
    Aanbiedingen
    Nieuws en inspiratie
    Nieuwe producten
    Verkoper worden

    Eigen merken

    Toolcraft
    Voltcraft
    Tru components
    Renkforce
    Speaka professional
    Sygonix
  • Service

    Voor u uitgekozen services

    Status bestelling
    eProcurement
    Nieuwsbrief
    Garantie
    Cadeaukaart
    Onderwijsvoordeel
    Klantenservice

  • Inkoop

    Alles voor uw inkoop

    eProcurement
    Offertetool
    Orders op afroep
    Direct bestellen
    Product op aanvraag
    Business Plus
  • Onze producten
  • Mijn account
  • Verlanglijst
  • Uitloggen
Conrad
Start
Elektromechanica Relais Industriële relais

Finder 4C.01.9.012.0050 Relaismodule (modulair) Nominale spanning: 12 V/DC Schakelstroom (max.): 16 A 1x wisselcontact 1

EAN:
Fabrikantnummer:
Artikelnummer:
Blauwe relaisschakelaar, type 97.01 van Finder, 16A 250V. Toont behuizingsontwerp en elektrische specificaties voor industriële toepassingen.
Blauwe relaisschakelaar, type 97.01 van Finder, 16A 250V. Toont behuizingsontwerp en elektrische specificaties voor industriële toepassingen.
'Technical drawing of screw clamps 4C.01/4C.02 with detailed dimensions.'
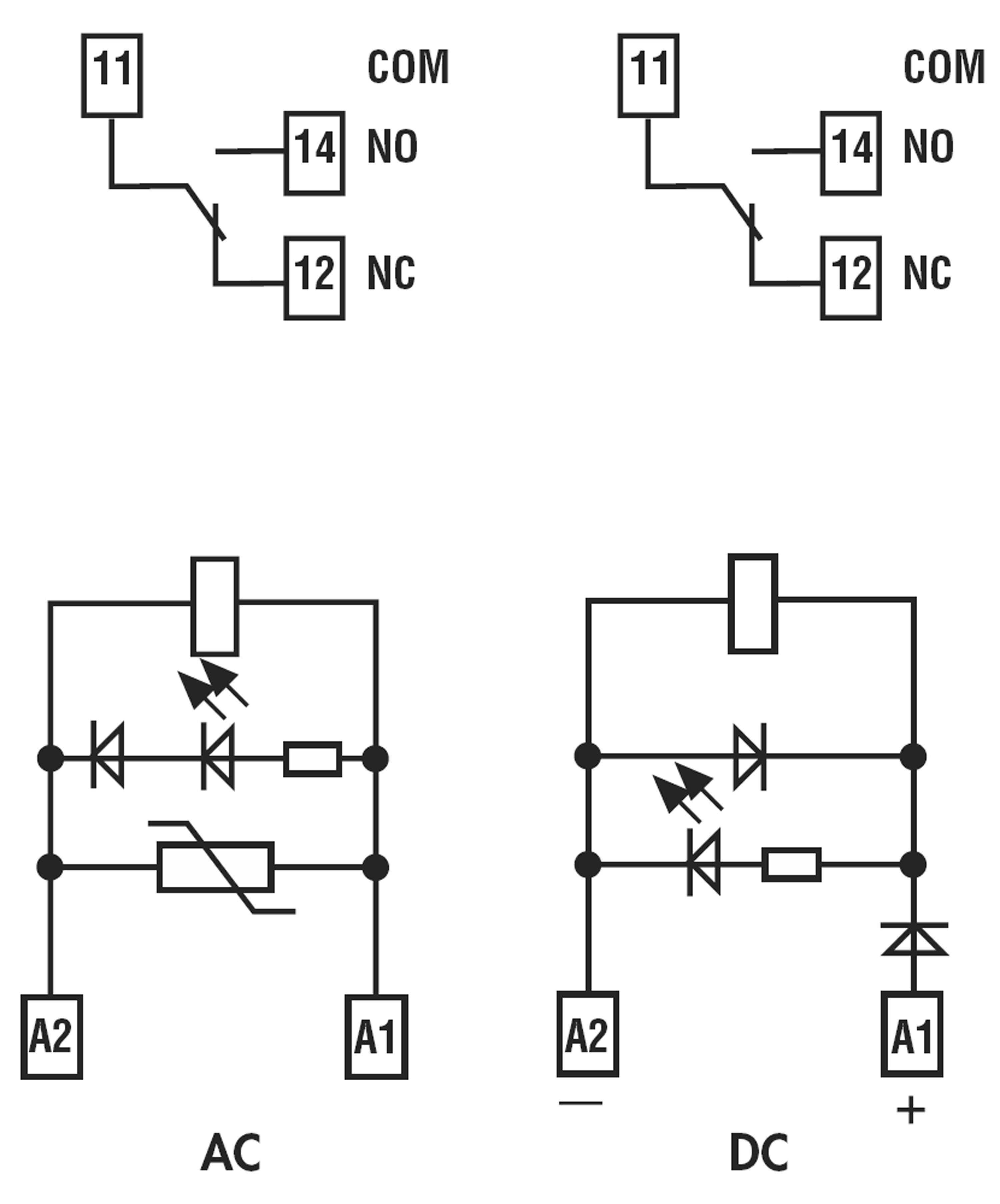
'Schakelschema's van relais' tonen twee schakeldiagrammen voor wisselstroom (AC) en gelijkstroom (DC) met markeringen voor aansluitingen en diodes.
1/3
Afbeelding vergelijkbaar
Soortnaam
Relaismodule (modulair)
Contactsoort
1x wisselcontact
Nominale spanning
12 V/DC
Schakelspanning (max.)
440 V/AC
Schakelstroom (max.)
16 A
Datasheet (PDF)
Finder
Leverbaarvr. 10 apr.

34 Stuk(s)
Heeft u een groter aantal nodig?

Aantal

Totaal
€ 14,04
excl. btw 
Juridisch probleem melden
  • +3500 merken

  • +1.900.000 producten

  • +85.000 zakelijke klanten

  • Gratis inkoopoplossingen

  • Scherpe offertes op maat

  • Klantenservice

  • Bestellen

  • Betalen

  • Garantie & retour

  • Alle onderwerpen

  • * Voorwaarden gratis levering

  • Over Conrad

  • Conrad Your Sourcing Platform

  • Nieuws & Inspiratie

  • Milieubewust ondernemen

  • ISO-certificering

  • Vulnerability Disclosure Program

  • REACH documenten

  • Informatie over toegankelijkheid

  • Conrad Diensten

  • Offerte aanvragen

  • e-Procurement

  • Business Plus

  • Gekalibreerd assortiment

  • Snel vinden

  • Merken A-Z

  • Categorieën A-Z

  • Actuele aanbiedingen 🛒

  • Download Center

  • Vacatures

Nieuwsbrief

Meld u aan voor de nieuwsbrief en ontvang 10% korting* op uw eerstvolgende bestelling, zonder minimaal bestelbedrag.

Meld u aan voor de nieuwsbrief en ontvang 10% korting* op uw eerstvolgende bestelling, zonder minimaal bestelbedrag.

Voer een geldig e-mail adres in

Nieuwsbrief

Meld u aan voor de nieuwsbrief en ontvang 10% korting* op uw eerstvolgende bestelling, zonder minimaal bestelbedrag.

Meld u aan voor de nieuwsbrief en ontvang 10% korting* op uw eerstvolgende bestelling, zonder minimaal bestelbedrag.

Voer een geldig e-mail adres in

Nieuwsbrief

Meld u aan voor de nieuwsbrief en ontvang 10% korting* op uw eerstvolgende bestelling, zonder minimaal bestelbedrag.

Meld u aan voor de nieuwsbrief en ontvang 10% korting* op uw eerstvolgende bestelling, zonder minimaal bestelbedrag.

Voer een geldig e-mail adres in

Geselecteerde kantoorartikelen
* Deze kortingsactie geldt t/m 5-4-2026 en alleen voor geselecteerde kantoorartikelen. Verder gelden de voorwaarden actiecodes.

Betaalmethoden
  • iDeal
  • Creditcard
  • Automatische incasso
  • Op rekening
Alle betaalmethoden
Social Media

Weergave van alle prijzen excl. btw en excl. verzendkosten.

Weergave van alle prijzen incl. btw en excl. verzendkosten.

  • Gegevensbescherming

  • Veilige betaalmiddelen

  • SSL-versleuteling

  • Geverifieerde Visa & Mastercard veilige code

  • Algemene voorwaarden

  • Impressum

  • Privacy policy

  • Herroepingsrecht

Productvergelijking
Verlanglijst