Directe link
  • Conrad
  • Mijn account

    Inloggen / Registreren

  • Winkelwagen

  • Aanbiedingen › Aanbiedingen ›
  • Conrad Wereld
    Conrad - Your Sourcing Platform
    Aanbiedingen
    Nieuws en inspiratie
    Nieuwe producten
    Verkoper worden

    Eigen merken

    Toolcraft
    Voltcraft
    Tru components
    Renkforce
    Speaka professional
    Sygonix
  • Service

    Voor u uitgekozen services

    Status bestelling
    eProcurement
    Nieuwsbrief
    Garantie
    Cadeaukaart
    Onderwijsvoordeel
    Klantenservice

  • Inkoop

    Alles voor uw inkoop

    eProcurement
    Offertetool
    Orders op afroep
    Direct bestellen
    Product op aanvraag
    Business Plus
  • Onze producten
  • Mijn account
  • Verlanglijst
  • Uitloggen
Conrad
Start
Development-kits & Lespakketten Bouwpakketten, modules Vermogensregeling-bouwpakketten

Conrad Components 192287 DC-toerenteller Bouwpakket 12 V/DC, 24 V/DC 10 A

EAN:
Fabrikantnummer:
Artikelnummer:
Conrad Components 192287 DC-toerenteller Bouwpakket 12 V/DC, 24 V/DC 10 A-0
Conrad Components 192287 DC-toerenteller Bouwpakket 12 V/DC, 24 V/DC 10 A-0
Drie rode WIMA-condensatoren, waarbij op elk exemplaar '0.1 100-' staat. Ze zijn naast elkaar geplaatst met twee aansluitingen onderaan.
'Elektronisch onderdeel met drie aansluitingen: ingang, uitgang en massa. Nummer bovenaan: 14 71 09.'
Schets toont twee horizontale afstanden van elk '26' met een tussenruimte van '3,9'. Diameter boven 'Ø 1,6' en 'Ø 0,6'.
'Diagram toont afmetingen van een onderdeel: 0,6 Ø, min. 26 mm, max. 4,05 mm, min. 26 mm en hoogte 1,9 mm. Markering bij kathode.'
Koellichaamprofiel met afmetingen: breedte 55 mm, hoogte 28 mm, verticale vinnen 14 mm hoog, horizontale vinnen 10 mm hoog. Schroefschroefdraad M3.
Vijf technische tekeningen van bevestigingsringen met afmetingen in millimeters. Verschillen in diameter en hoogtes zijn zichtbaar.
Technische tekening van een stekkerverbinding met afmetingen: diameter 9 mm en 3,7 mm, verschillende lengtes en detailaanzichten.
Technische tekening van een onderdeel met afmetingen in millimeters. Links: halfcirkelvormig, 10,3 breed. Rechts: Cirkel met diameter 4 mm, boorgaten.
Technische tekening van een rond onderdeel met een gat in het midden, dimensionaal aangegeven met een diameter van 15 mm en een hoogte van 12,5 mm.
'Technical drawing of an electronic component with dimensions: Width (W), Height (H), Length (L), Diameter (d), Pitch (P) and Wire exit.'
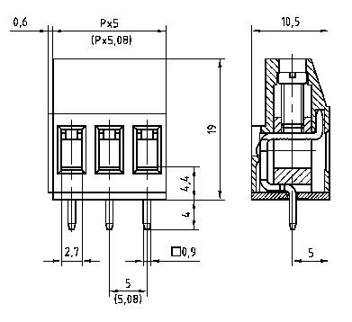
Technische tekening van een driepolige connector. Afmetingen en afstanden zijn aangegeven in millimeters. Bovenaanzicht en zijaanzicht.
1/12
Conrad Components
Niet beschikbaar

Bekijk alternatieven

Totaal
€ 23,13
excl. btw 
Juridisch probleem melden
  • +3500 merken

  • +1.900.000 producten

  • +85.000 zakelijke klanten

  • Gratis inkoopoplossingen

  • Scherpe offertes op maat

  • Klantenservice

  • Bestellen

  • Betalen

  • Garantie & retour

  • Alle onderwerpen

  • * Voorwaarden gratis levering

  • Over Conrad

  • Conrad Your Sourcing Platform

  • Nieuws & Inspiratie

  • Milieubewust ondernemen

  • ISO-certificering

  • Vulnerability Disclosure Program

  • REACH documenten

  • Informatie over toegankelijkheid

  • Conrad Diensten

  • Offerte aanvragen

  • e-Procurement

  • Business Plus

  • Gekalibreerd assortiment

  • Snel vinden

  • Merken A-Z

  • Categorieën A-Z

  • Actuele aanbiedingen 🛒

  • Download Center

  • Vacatures

Nieuwsbrief

Meld u aan voor de nieuwsbrief en ontvang 10% korting* op uw eerstvolgende bestelling, zonder minimaal bestelbedrag.

Meld u aan voor de nieuwsbrief en ontvang 10% korting* op uw eerstvolgende bestelling, zonder minimaal bestelbedrag.

Voer een geldig e-mail adres in

Nieuwsbrief

Meld u aan voor de nieuwsbrief en ontvang 10% korting* op uw eerstvolgende bestelling, zonder minimaal bestelbedrag.

Meld u aan voor de nieuwsbrief en ontvang 10% korting* op uw eerstvolgende bestelling, zonder minimaal bestelbedrag.

Voer een geldig e-mail adres in

Nieuwsbrief

Meld u aan voor de nieuwsbrief en ontvang 10% korting* op uw eerstvolgende bestelling, zonder minimaal bestelbedrag.

Meld u aan voor de nieuwsbrief en ontvang 10% korting* op uw eerstvolgende bestelling, zonder minimaal bestelbedrag.

Voer een geldig e-mail adres in

Geselecteerde kantoorartikelen
* Deze kortingsactie geldt t/m 5-4-2026 en alleen voor geselecteerde kantoorartikelen. Verder gelden de voorwaarden actiecodes.

Betaalmethoden
  • iDeal
  • Creditcard
  • Automatische incasso
  • Op rekening
Alle betaalmethoden
Social Media

Weergave van alle prijzen excl. btw en excl. verzendkosten.

Weergave van alle prijzen incl. btw en excl. verzendkosten.

  • Gegevensbescherming

  • Veilige betaalmiddelen

  • SSL-versleuteling

  • Geverifieerde Visa & Mastercard veilige code

  • Algemene voorwaarden

  • Impressum

  • Privacy policy

  • Herroepingsrecht

Productvergelijking
Verlanglijst